Brian Roth Technical Services Library




A request was posted to the Ampex mailing list for the schematic info on a control PWA for a MM-1200.  The schematic number is 4840438B which is for the 4050864 PWA.  Due to limitations of my scanner, I had to do the schematic in two passes with an overlap.  I included the parts list and PWA parts layout drawing:

Ampex MM-1200 transport control PWA service info.


I have added an Ampex drawing of all the various head formats they supported:

Ampex mechanical drawing from 1973 showing all tape head dimensions/layouts.

Here is an "in progress" copy of my scans of Alastair Heaslett's paper (written for the Ampex Training Department) regarding the application of flux loops.   The file size is 1.025 Megs (sorry...I'm still working on that, but it IS a 27 page document, with some halftone pictures, graphs, line art, etc., which really bloat the size).

Preliminary work file of Alastair Heaslett's Ampex tech paper on flux loops.

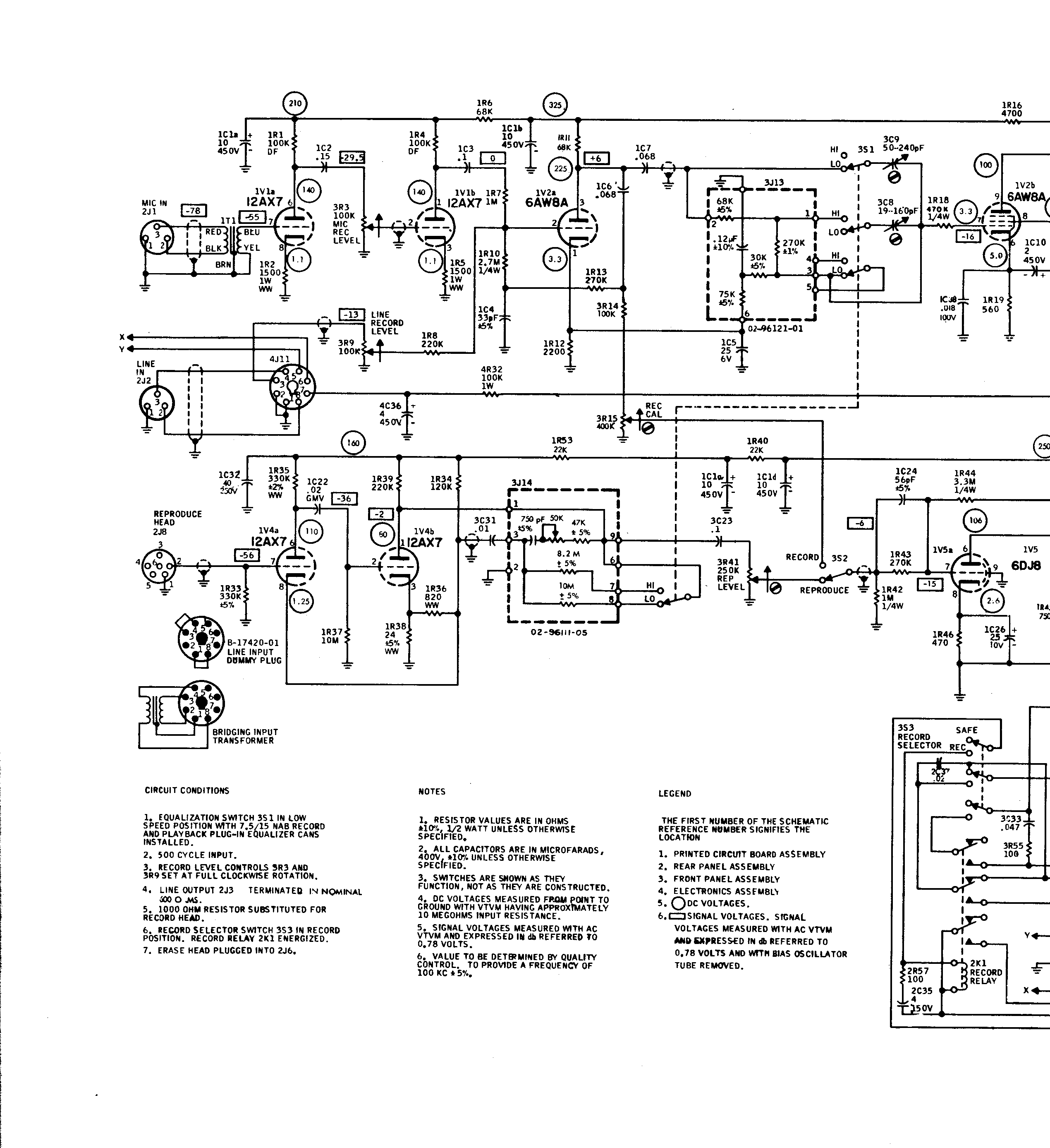
A copy of the ATR-100 I/O and metering module was requested on the Ampex list.  I originally uploaded two quick n' dirty scans of each page portion (and generated "left" and "right" sections), but Rick and Betty Chinn did their own scan and stitched them together.

ATR-100 I/O electronics.

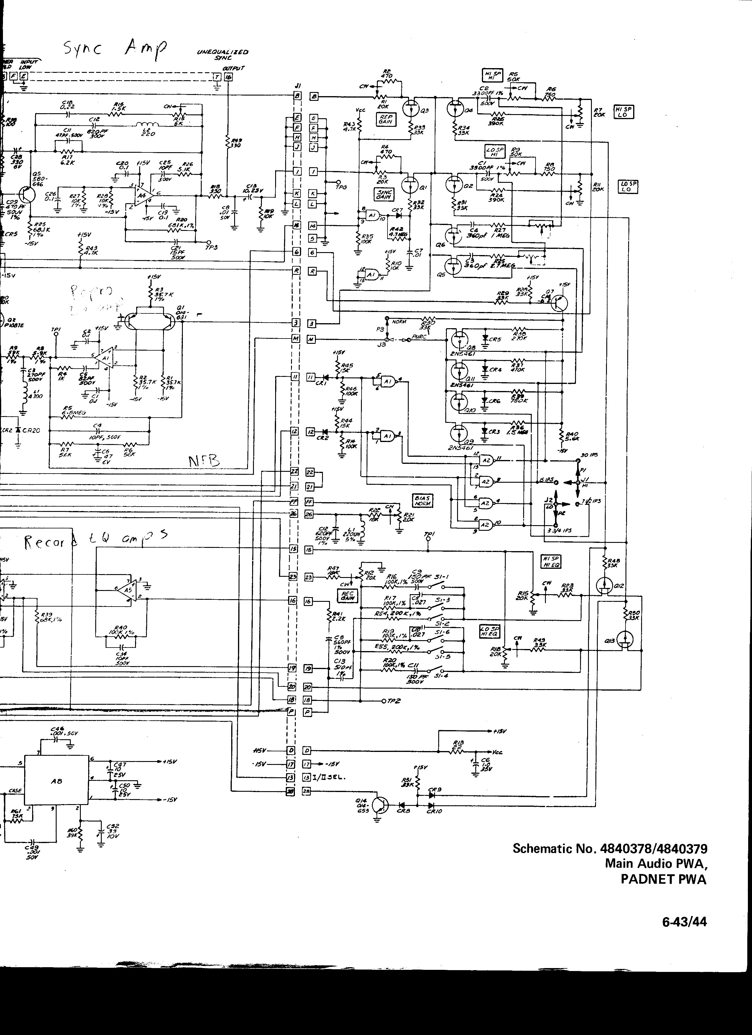
A copy of the schematic for the ATR-100 analog card was requested on the Ampex mail list.  These two "panels" also include pencilled-in remarks from my classes in Redwood City, circa 1979.

Left side of the ATR-100 audio board schematic.
Right side of the ATR-100 audio schematic.

In the meantime, I ran across a "toooob mic preamp" built from the frame of an Ampex PR-10-1 chassis, and John Fletcher scanned and sent these schemos along:

Left side of the PR-10-1 schemo.
Right side of the PR-10-1 schemo.
 

Here's a "quick 'n dirty" PDF scan of the service info for an Audio + Design Easy Rider compressor:

Audio + Design Easy Rider.

This three page PDF contains the audio electronics frame schematic with some overlap between the left, middle, and right sections and need to be "stitched" back together.  The original was 23 3/4" wide by 11" high.

Ampex AG-440C audio electronics frame schematic.

Rather than add more clutter to this page, I began a seperate page for Ampex Field Engineering Bulletins:

Ampex FEBs are here.

Per Larry Miller's request, I added a scan for the Ampex 4010040-01 mic preamp accessory module.  This is from my AG-300 manual:

Ampex microphone preamp module.

Here are two pics of a MM-1000 8 track from a rumpled 1968 brochure.

Ampex MM-1000 8 track recorder.

Here's a list of Ampex part numbers for their tape heads.  This file was updated by Jay Mcknight (President of MRL tapes) and is a searchable PDF:

Ampex FEB with head number cross references.

Ampex ABR10/15 brochure scan; sorry about the file size (approx. 1.5 Megs), but it was a booger to scan since the original used a rather billious 2-color print combination.

Ampex ABR10/15 sales brochure.

I added this link to pass along a scan of Ampex belt replacements, as scanned from a 1989 PRB catalog:

Scan of a 1989 PRB catalog, Ampex section.

Scans of some 1970's Spectra Sonics console brochures.

Spectra Sonics console sales brochure.

In 1981, a SPARS bulletin described a number of Ampex MM1200 modifications made by the staff at The Record Plant.

MM1200 mods.

A request mas made on the Ampex mailing list for the transport schematic for an AG-440B recorder.  I also included two pages from the "Theory of Operation" section describing the functions.

Ampex AG-440B transport schematic and discussion.

Links: I finally began to organize a bunch of my links, found here.

Return to Brian Roth Technical Services Home Page